


Escáner Inteligente de Huellas de Calzado Everspry.
EverISS es un equipo inteligente de última generación para la inspección de huellas de calzado, diseñado para investigaciones forenses en la escena del crimen. Gracias a su tecnología avanzada y potentes funciones, EverISS ofrece escaneos de alta precisión, una amplia gama de aplicaciones y un diseño ligero y portátil.
EverISS es el primer escáner portátil en tiempo real de su tipo que escanea huellas de calzado planas dejadas en escenas de crímenes sobre diversas superficies. El escáner es compatible con Wi-Fi y cuenta con una aplicación descargable para tabletas, con un área de escaneo de imagen (LW) de 365 x 160 mm y un tiempo de funcionamiento de más de 2 horas sin necesidad de recarga.
Sus múltiples modos de escaneo y su alta precisión convierten a EverISS en una herramienta valiosa para los expertos en CSI durante las investigaciones forenses en la escena del crimen.


AMPLIA GAMA DE APLICACIONES
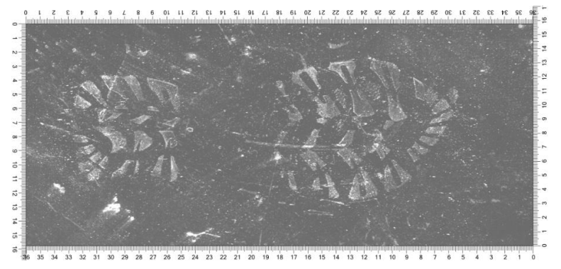
EverISS ofrece una amplia gama de aplicaciones, con múltiples modos de escaneo para la detección de huellas de zapatos visibles y latentes en diversas superficies. Con esta función, los expertos en CSI pueden detectar fácilmente huellas de zapatos en escenas de crímenes, independientemente de la superficie. Sus múltiples modos de escaneo garantizan la versatilidad del escáner y su uso en diversos entornos.
ESCANEO DE ALTA PRECISIÓN
EverISS cuenta con capacidades de escaneo de alta precisión, capturando imágenes con una resolución de hasta 1200 DPI y una distorsión de imagen inferior al 1 %. Esta función garantiza que los expertos en CSI puedan obtener imágenes claras y precisas de huellas de zapatos en escenas de crímenes, lo que facilita la identificación de sospechosos. Gracias a este alto nivel de precisión, el escáner es fiable y eficiente, lo que lo convierte en una herramienta valiosa para las investigaciones en la escena del crimen.
LIGERO Y PORTÁTIL
EverISS es ligero y portátil, con unas dimensiones de 320 mm de largo, 380 mm de ancho y 168 mm de alto. Con un peso de tan solo 7 kg, el escáner es fácil de transportar y utilizar en diversos entornos. Gracias a su portabilidad, los expertos en CSI pueden utilizarlo sobre el terreno, lo que facilita la captura de huellas de calzado en la escena del crimen. Su diseño ligero y portátil garantiza que el escáner también sea fácil de almacenar y transportar entre ubicaciones.